Structural features:
-ZD series multi-disc brakes, low release pressure (ideal for use of closed hydrostatic drive),
-high strength overall design, balanced piston design, safe and reliable
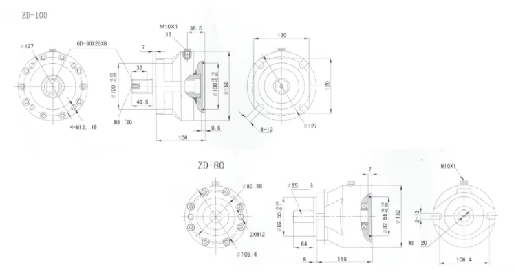
- the low carbon alloy structural steel of the output shaft material has been cyanated to obtain high mechanical properties (the shaft head can be made into flat keys, rectangular splines and other connection forms according to customer requirements, and the input end can also be designed and manufactured according to the shaft head form of the selected motor).
Specification



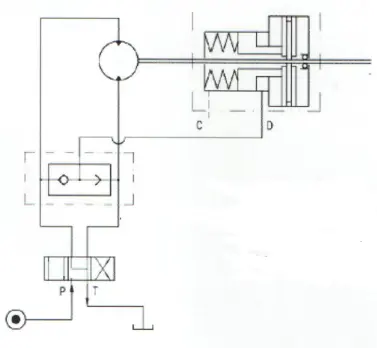
Note: After assembly with the hydraulic cycloidal motor, when the motor needs to move forward and backward, it is recommended to use shuttle valve in the design of the hydraulic system, and the intermediate function of the reversing valve 4 must have unloading function (y-type or h-type), and no unloading function is allowed in the middle1 here.
Application range of brakes: Reliable safety control brake lh-zd series, applied to the swing of the precise adjustment device or other means of transport and the "out of control" parts of equipment, the work of the special location and to capstan "out of control" protection, effectively solve the problem of the hydraulic motor can't self-locking slide. Lh-zd series brake device after precision of hydraulic pressure test, to ensure the stability of braking performance. Typical lh-zd multidisc brake used in overhead working truck, scissor lift car, low-speed traffic tools, agricultural harvesting equipment, small crane and other construction machinery. Note: the maximum return oil back pressure of ZD series multi-disc brakes should be less than 5bar.